YBS防爆電機詳細介紹
發布日期:2020年04月30日 信息來源:http://www.ys-chn.com 點擊數:
ybs防爆電動機適用于煤礦井下驅動刮板輸送機、帶式輸送機、轉載機、破碎機等機械設備。防爆性能符合GB3836.2-2000《爆炸性氣體環境用電氣設備第2部分;隔爆型“d”》的規定,制成隔爆型,防爆標志為:Exdi。
YBS防爆電機型號講解:
Y指的是三相異步電動機、B指的是防爆隔爆型、S就是指輸送機用防爆電機,所以也成為YBS三相異步隔爆型電動機。
YBS防爆電機的適用范圍:
適用于煤礦井下驅動刮板輸送機、帶式輸送機、轉載機、破碎機等機械設備。防爆性能符合GB3836.2-2000《爆炸性氣體環境用電氣設備第2部分;隔爆型“d”》的規定,制成隔爆型,防爆標志為:Exdi
YBS防爆電機的技術參數:
號 |
功率 |
效率 |
功率因數 |
噪聲 |
振動 |
堵轉轉矩 |
堵轉電流 |
最大轉矩 |
最小轉矩 |
額定轉矩 |
額定電流 |
額定轉矩 |
額定轉矩 |
||||||
YBS4-4 |
4 |
74.0 |
0.82 |
78 |
2.8 |
2.5 |
7.0 |
6.5 |
2.5 |
YBS5.5-4 |
5.5 |
86.0 |
|||||||
YBS7.5-5 |
7.5 |
87.0 |
72 |
||||||
YBS10-4 |
10 |
75 |
|||||||
YBS11-4 |
11 |
0.83 |
|||||||
YBS17-4 |
17 |
88.0 |
0.84 |
87 |
|||||
YBS22-4 |
22 |
89.0 |
92 |
||||||
YBS30-4 |
30 |
90.0 |
0.85 |
95 |
|||||
YBS40-4 |
40 |
0.86 |
97 |
|
|||||
YBS55-4 |
55 |
3.5 |
|||||||
YBS75-4 |
75 |
92.0 |
0.87 |
99 |
|||||
YBS90-4 |
90 |
||||||||
YBS100-4 |
100 |
104 |
|||||||
YBS112-4 |
112 |
||||||||
YBS125-4 |
125 |
額定頻率:50HZ
絕緣等級:F級
額定電壓:380v/660v、660v/1140v
功率范圍:4-125kw
防護等級:IP44(接線盒IP55
安裝形式:IMB3、IMB5、IMB10等
YBS防爆電機的維護與保養:
電動機應定期檢查和清掃,外殼不得堆積灰塵,不得用水龍頭噴射清掃電機。 電動機運行時軸承允許溫度不得超過95℃(溫度計法),軸承每運行約半年至少檢查一次。
ybs防爆電機額定技術指標及技術數據
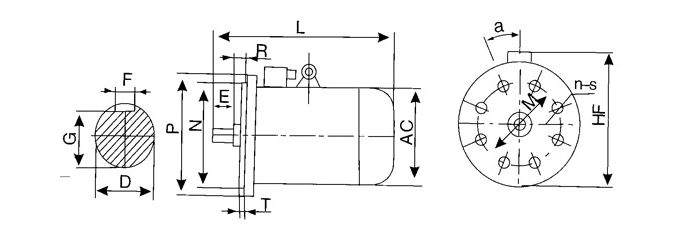
安裝及外形尺寸
機座無底腳,端蓋有凸緣
更多防爆電機產品知識請關注:www.ys-chn.com電話:0394-8687286 手機:15518435289 劉經理
相關閱讀:
粉塵防爆電機檢測的四個步驟
粉塵防爆電機20區21區22區區別
