高效節能電機YBX3防爆電機詳細介紹
發布日期:2020年05月07日 信息來源:http://www.ys-chn.com 點擊數:
YBX3防爆電機介紹
YBX3防爆電機用途和特點
YBX3防爆電機用作煤礦井下(非采掘工作面)固定式設備或工廠IIB級,溫度組別為T1—T4組的可燃性氣體或蒸氣與空氣形成的爆炸性混合物的場所內的機械設備的驅動電機,主要用于煤礦、石油天然、石油化工和化學工業。此外,在紡織、冶金、城市煤氣、交通、糧油加工、造紙、醫藥等部門也被廣泛應用。防爆電機作為主要的動力設備,通常用于驅動泵、風機、壓縮機、輸送機和其他傳動機械。YBX3防爆電機具有高效,節能,溫升裕度大,壽命長,性能好,振動小,防爆結構先進,起動性能優良,外形美觀,可靠性高的優點,運行時不產生電火花。電機的主接線盒位于頂部,還可根據用戶要選擇測溫、軸承測溫和加熱器。其顯著的特點是高效、節能。
YBX3防爆電機型號解析
- YBX3電動機防爆標志代表的意義:ExdⅡBT4Gb
- Ex:標志(防爆)
- d:電氣設備防爆型式(隔爆型)
- ⅡB:電氣設備類別級別(Ⅱ類B級)
- T4:溫度組別(T4)
- Gb:設備保護級別(Gb)
- YBX3電動機型號代表意義:YBX3-355M1-4W
- Y:異步電動機
- B:隔爆型
- X:高效率
- 3:設計序號,3代表三次設計
- 355:機座的中心高(355mm)
- M:機座長度(M表示中機座)
- 1:1號鐵心長
- 4:極數(4極)
- W:特殊環境代號(戶外型)
YBX3防爆電機使用條件
YBX3使用電氣條件額定電壓:380、660、380/660、400、690、400/690V。(也可按特殊電壓制造)
額定頻率:50Hz 或者60Hz。
定額:連續工作制S1。
YBX3使用環境條件
海拔不超過1000m,環境空氣溫度隨季節而變化,為-15℃~40℃的戶內環境。
YBX3 為基本型,適用于戶內環境。
YBX3-W 適用于戶外型環境。
YBX3-TH 適用于戶內濕熱帶型環境。
YBX3-THW 適用于戶外濕熱帶型環境。
YBX3-TA 適用于戶內干熱帶型環境。
YBX3-TAW 適用于戶外干熱帶型環境。
YBX3-T 適用于戶內熱帶型環境。
YBX3-TW 適用于戶外熱帶型環境。
YBX3-WF1 適用于戶外中等腐蝕的環境。
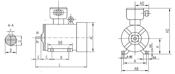
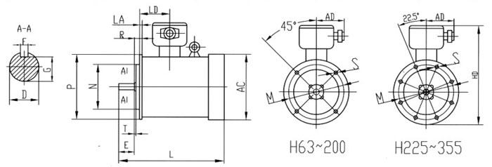
YBX3防爆電機結構及安裝和外形尺寸
YBX3防爆電機的安裝方式符合GB997《電機結構及安裝型式代號》及IEC34-7 的規定。本系列電動機有以下5 種基本結構型式:B3—機座帶底腳、端蓋無凸緣;B5—機座不帶底腳、端蓋有凸緣;B35—機座帶底腳、端蓋有凸緣;B14—機座不帶底腳、端蓋有小凸緣;B34—機座帶底腳、端蓋有小凸緣。本系列電動機在上述5 種基本結構上,可派生15 種常用結構及安裝型式見下表:機座號 | 結構及安裝型式代號(IM) |
80~112 | B3、B5、B6、B7、B8、B14、B34、B35、V1、V3、V5、V6、V15、V18、V35 |
132~160 | B3、B5、B6、B7、B8、B35、V1、V3、V5、V6、V15、V35 |
180~280 | B3、B5、B35、V1 |
315~355 | B3、B35、V1 |
400~450 | B3、B35、V1 |
YBX3結構及安裝型式示意圖
YBX3防爆電機安裝方式參數圖表
YBX3防爆電機B3安裝方式對應圖表YBX3防爆電機B5安裝方式對應圖表
YBX3防爆電機參數表
YBX3系列防爆電機詳情參數表 | |||||||||||||
電壓:380V | |||||||||||||
頻率:50Hz | |||||||||||||
電機型號 | 額定功率 (kW) |
額定電流 (A) |
額定轉速 (r/min) |
效率% (η%) |
功率因數 (cosφ) |
額定轉矩 N.m |
堵轉轉矩 額定轉矩 Tst TN |
堵轉電流 額定電流 Ist TN |
最大轉矩 額定轉矩 Tmax TN |
噪聲 db(A) | 重量 (kg) |
||
同步轉速3000r/min | |||||||||||||
YBX3-80M1-2 | 0.75 | 1.7 | 2875 | 80.7 | 0.83 | 2.5 | 2.3 | 6.8 | 2.3 | 67 | 32 | ||
YBX3-80M2-2 | 1.1 | 2.4 | 2875 | 82.7 | 0.83 | 3.7 | 2.3 | 7.3 | 2.3 | 67 | 33 | ||
YBX3-90S-2 | 1.5 | 3.2 | 2890 | 84.2 | 0.84 | 5.0 | 2.3 | 7.6 | 2.3 | 72 | 39 | ||
YBX3-90L-2 | 2.2 | 4.6 | 2890 | 85.9 | 0.85 | 7.3 | 2.3 | 7.8 | 2.3 | 72 | 46 | ||
YBX3-100L-2 | 3 | 6.0 | 2891 | 87.1 | 0.87 | 9.9 | 2.3 | 8.1 | 2.3 | 76 | 57 | ||
YBX3-112M-2 | 4 | 7.8 | 2914 | 88.1 | 0.88 | 13.1 | 2.3 | 8.3 | 2.3 | 77 | 68 | ||
YBX3-132S1-2 | 5.5 | 10.6 | 2937 | 89.2 | 0.88 | 17.9 | 2.2 | 8.0 | 2.3 | 80 | 87 | ||
YBX3-132S2-2 | 7.5 | 14.2 | 2940 | 90.1 | 0.89 | 24.4 | 2.2 | 7.8 | 2.3 | 80 | 93 | ||
YBX3-160M1-2 | 11 | 20.6 | 2930 | 91.2 | 0.89 | 35.9 | 2.2 | 7.9 | 2.3 | 86 | 136 | ||
YBX3-160M2-2 | 15 | 27.9 | 2930 | 91.9 | 0.89 | 48.9 | 2.2 | 8.0 | 2.3 | 86 | 144 | ||
YBX3-160L-2 | 18.5 | 34.4 | 2937 | 92.4 | 0.89 | 60.2 | 2.2 | 8.1 | 2.3 | 86 | 155 | ||
YBX3-180M-2 | 22 | 40.5 | 2940 | 92.7 | 0.89 | 71.5 | 2.2 | 8.2 | 2.3 | 89 | 241 | ||
YBX3-200L1-2 | 30 | 54.9 | 2950 | 93.3 | 0.89 | 97.1 | 2.2 | 7.5 | 2.3 | 92 | 275 | ||
YBX3-200L2-2 | 37 | 67.4 | 2950 | 93.7 | 0.89 | 119.8 | 2.2 | 7.5 | 2.3 | 92 | 300 | ||
YBX3-225M-2 | 45 | 81.7 | 2960 | 94.0 | 0.89 | 145.2 | 2.2 | 7.6 | 2.3 | 92 | 420 | ||
YBX3-250M-2 | 55 | 99.6 | 2965 | 94.3 | 0.89 | 177.2 | 2.2 | 7.6 | 2.3 | 93 | 477 | ||
YBX3-280S-2 | 75 | 135.2 | 2970 | 94.7 | 0.89 | 241.2 | 2.0 | 6.9 | 2.3 | 94 | 640 | ||
YBX3-280M-2 | 90 | 161.7 | 2970 | 95.0 | 0.89 | 289.4 | 2.0 | 7.0 | 2.3 | 94 | 697 | ||
YBX3-315S-2 | 110 | 195.1 | 2975 | 95.2 | 0.90 | 353.1 | 2.0 | 7.1 | 2.2 | 96 | 1060 | ||
YBX3-315M-2 | 132 | 233.6 | 2975 | 95.4 | 0.90 | 423.7 | 2.0 | 7.1 | 2.2 | 96 | 1120 | ||
YBX3-315L1-2 | 160 | 279.4 | 2975 | 95.6 | 0.91 | 513.6 | 2.0 | 7.1 | 2.2 | 99 | 1290 | ||
YBX3-315L2-2 | 200 | 348.6 | 2975 | 95.8 | 0.91 | 642.0 | 2.0 | 7.1 | 2.2 | 99 | 1430 | ||
YBX3-355M-2 | 250 | 435.7 | 2980 | 95.8 | 0.91 | 801.2 | 2.0 | 7.1 | 2.2 | 103 | 1749 | ||
YBX3-355L-2 | 315 | 549.0 | 2980 | 95.8 | 0.91 | 1009.5 | 2.0 | 7.1 | 2.2 | 103 | 2060 | ||
同步轉速1500r/min | |||||||||||||
YBX3-80M1-4 | 0.55 | 1.4 | 1400 | 80.7 | 0.75 | 3.8 | 2.3 | 6.3 | 2.3 | 58 | 31 | ||
YBX3-80M2-4 | 0.75 | 1.8 | 1400 | 82.5 | 0.75 | 5.1 | 2.3 | 6.5 | 2.3 | 58 | 32 | ||
YBX3-90S-4 | 1.1 | 2.6 | 1440 | 84.1 | 0.75 | 7.3 | 2.3 | 6.6 | 2.3 | 61 | 43 | ||
YBX3-90L-4 | 1.5 | 3.6 | 1445 | 85.3 | 0.75 | 9.9 | 2.3 | 6.9 | 2.3 | 61 | 47 | ||
YBX3-100L1-4 | 2.2 | 4.8 | 1440 | 86.7 | 0.81 | 14.6 | 2.3 | 7.5 | 2.3 | 64 | 56 | ||
YBX3-100L2-4 | 3 | 6.3 | 1440 | 87.7 | 0.82 | 19.9 | 2.3 | 7.6 | 2.3 | 64 | 62 | ||
YBX3-112M-4 | 4 | 8.4 | 1445 | 88.6 | 0.82 | 26.4 | 2.3 | 7.7 | 2.3 | 65 | 74 | ||
YBX3-132S-4 | 5.5 | 11.4 | 1455 | 89.6 | 0.82 | 36.1 | 2.0 | 7.5 | 2.3 | 71 | 93 | ||
YBX3-132M-4 | 7.5 | 15.2 | 1455 | 90.4 | 0.83 | 49.2 | 2.0 | 7.4 | 2.3 | 71 | 105 | ||
YBX3-160M-4 | 11 | 21.5 | 1460 | 91.4 | 0.85 | 72.0 | 2.2 | 7.5 | 2.3 | 75 | 141 | ||
YBX3-160L-4 | 15 | 28.8 | 1460 | 92.1 | 0.86 | 98.1 | 2.2 | 7.5 | 2.3 | 75 | 153 | ||
YBX3-180M-4 | 18.5 | 35.3 | 1470 | 92.6 | 0.86 | 120.2 | 2.2 | 7.7 | 2.3 | 76 | 235 | ||
YBX3-180L-4 | 22 | 41.8 | 1470 | 93.0 | 0.86 | 142.9 | 2.2 | 7.8 | 2.3 | 76 | 255 | ||
YBX3-200L-4 | 30 | 56.6 | 1470 | 93.6 | 0.86 | 194.9 | 2.2 | 7.2 | 2.3 | 79 | 285 | ||
YBX3-225S-4 | 37 | 69.6 | 1480 | 93.9 | 0.86 | 238.8 | 2.2 | 7.3 | 2.3 | 81 | 360 | ||
YBX3-225M-4 | 45 | 84.4 | 1480 | 94.2 | 0.86 | 290.4 | 2.2 | 7.4 | 2.3 | 81 | 390 | ||
YBX3-250M-4 | 55 | 102.7 | 1480 | 94.6 | 0.86 | 354.9 | 2.2 | 7.4 | 2.3 | 83 | 490 | ||
YBX3-280S-4 | 75 | 136.3 | 1480 | 95.0 | 0.88 | 484.0 | 2.2 | 6.7 | 2.3 | 86 | 718 | ||
YBX3-280M-4 | 90 | 163.2 | 1480 | 95.2 | 0.88 | 580.7 | 2.2 | 6.9 | 2.3 | 86 | 816 | ||
YBX3-315S-4 | 110 | 199.1 | 1485 | 95.4 | 0.88 | 707.4 | 2.2 | 6.9 | 2.2 | 93 | 1050 | ||
YBX3-315M-4 | 132 | 238.4 | 1485 | 95.6 | 0.88 | 848.9 | 2.2 | 6.9 | 2.2 | 93 | 1210 | ||
YBX3-315L1-4 | 160 | 285.1 | 1485 | 95.8 | 0.89 | 1029.0 | 2.2 | 6.9 | 2.2 | 97 | 1290 | ||
YBX3-315L2-4 | 200 | 355.7 | 1485 | 96.0 | 0.89 | 1286.2 | 2.2 | 6.9 | 2.2 | 97 | 1400 | ||
YBX3-355M-4 | 250 | 439.6 | 1490 | 96.0 | 0.90 | 1602.3 | 2.2 | 6.9 | 2.2 | 101 | 1805 | ||
YBX3-355L-4 | 315 | 553.9 | 1490 | 96.0 | 0.90 | 2019.0 | 2.2 | 6.9 | 2.2 | 101 | 2130 | ||
同步轉速1000r/min | |||||||||||||
YBX3-90S-6 | 0.75 | 2.0 | 934 | 78.9 | 0.72 | 7.7 | 2.1 | 5.8 | 2.0 | 57 | 42 | ||
YBX3-90L-6 | 1.1 | 2.8 | 945 | 81.0 | 0.73 | 11.1 | 2.1 | 5.9 | 2.0 | 57 | 44 | ||
YBX3-100L-6 | 1.5 | 3.7 | 945 | 82.5 | 0.74 | 15.2 | 2.1 | 6.0 | 2.0 | 61 | 49 | ||
YBX3-112M-6 | 2.2 | 5.4 | 960 | 84.3 | 0.74 | 21.9 | 2.1 | 6.0 | 2.0 | 65 | 69 | ||
YBX3-132S-6 | 3 | 7.2 | 964 | 85.6 | 0.74 | 29.7 | 2.0 | 6.2 | 2.0 | 69 | 83 | ||
YBX3-132M1-6 | 4 | 9.5 | 965 | 86.8 | 0.74 | 39.6 | 2.0 | 6.8 | 2.0 | 69 | 91 | ||
YBX3-132M2-6 | 5.5 | 12.7 | 965 | 88.0 | 0.75 | 54.4 | 2.0 | 7.1 | 2.0 | 69 | 99 | ||
YBX3-160M-6 | 7.5 | 16.4 | 970 | 89.1 | 0.78 | 73.8 | 2.1 | 6.7 | 2.0 | 73 | 133 | ||
YBX3-160L-6 | 11 | 23.4 | 970 | 90.3 | 0.79 | 108.3 | 2.1 | 6.9 | 2.0 | 73 | 154 | ||
YBX3-180L-6 | 15 | 30.9 | 975 | 91.2 | 0.81 | 146.9 | 2.0 | 7.2 | 2.0 | 73 | 239 | ||
YBX3-200L1-6 | 18.5 | 37.8 | 980 | 91.7 | 0.81 | 180.3 | 2.1 | 7.2 | 2.0 | 76 | 240 | ||
YBX3-200L2-6 | 22 | 44.2 | 980 | 92.2 | 0.82 | 214.4 | 2.1 | 7.3 | 2.0 | 76 | 280 | ||
YBX3-225M-6 | 30 | 60.7 | 980 | 92.9 | 0.81 | 292.3 | 2.0 | 7.1 | 2.0 | 76 | 360 | ||
YBX3-250M-6 | 37 | 71.7 | 980 | 93.3 | 0.84 | 360.6 | 2.1 | 7.1 | 2.0 | 78 | 470 | ||
YBX3-280S-6 | 45 | 84.8 | 980 | 93.7 | 0.86 | 438.5 | 2.1 | 7.2 | 2.0 | 80 | 655 | ||
YBX3-280M-6 | 55 | 103.3 | 980 | 94.1 | 0.86 | 536.0 | 2.1 | 7.2 | 2.0 | 80 | 725 | ||
YBX3-315S-6 | 75 | 141.7 | 985 | 94.6 | 0.85 | 727.2 | 2.0 | 6.7 | 2.0 | 85 | 930 | ||
YBX3-315M-6 | 90 | 171.5 | 985 | 94.9 | 0.84 | 872.6 | 2.0 | 6.7 | 2.0 | 85 | 1060 | ||
YBX3-315L1-6 | 110 | 206.8 | 985 | 95.1 | 0.85 | 1066.5 | 2.0 | 6.7 | 2.0 | 85 | 1130 | ||
YBX3-315L2-6 | 132 | 244.5 | 985 | 95.4 | 0.86 | 1279.8 | 2.0 | 6.7 | 2.0 | 85 | 1215 | ||
YBX3-355S-6 | 160 | 292.3 | 990 | 95.6 | 0.87 | 1543.4 | 2.0 | 6.7 | 2.0 | 92 | 1940 | ||
YBX3-355M2-6 | 200 | 364.6 | 990 | 95.8 | 0.87 | 1929.3 | 2.0 | 6.7 | 2.0 | 92 | 2070 | ||
YBX3-355L-6 | 250 | 455.7 | 990 | 95.8 | 0.87 | 2411.6 | 2.0 | 6.7 | 2.0 | 92 | 2340 |
YBX3防爆電機防爆合格證
注:銘牌信息、防爆證件等可以聯系我們獲取YBX3防爆電機常見問題
YBX3防爆電機檢修時需要注意哪些事項1.不得隨意拆卸;拆卸檢修時,不能用零件的防爆面作撬棒的支點,更不允許敲打或撞擊防爆面。
2.在電機的浸漆和組裝時,應將防爆面附著的絕緣漆或臟物清洗干凈,不得用鐵片等硬物刮劃,但可以用油石研磨不平整的地方。
3.若防爆面損傷,必須用鉛錫焊料HISnPb58-2,焊劑為30%濃度的鹽酸(對鋼制零件)或含錫58~60%的錫鋅焊料,焊劑為氯化銨30%,氯化鋅70%,加水100~150%混合溶液(對鑄鐵件)進行焊補,焊料與零件的結合要牢固,凸起部分要磨平,達到規定的光潔度。
4.為防止防爆面生銹,應在防爆面上涂抹機油或204-1置換型防銹油。
5.拆卸電機時,應先取下風罩、風扇,再用套管板手拆卸端蓋和軸承蓋的螺栓,然后,用圓木或銅棒沿軸向撞擊軸伸,使端蓋和機座分開,最后取下轉子。拆除零件,防爆面應朝上擱置,并用橡皮或布襯墊蓋上,緊固螺栓,彈簧墊等注意不要丟失。
YBX3防爆電機常見故障以及原因
故障現象:電動機溫度過高,但電流沒有超過額定值。
原因:1.環境溫度過高。2.電動機通風道堵塞。3.電動機油泥、灰塵太多影響散熱。
故障現象:電動機不能起動,而且沒有任何聲音。
原因:1.保險絲熔斷。2.起動器掉閘。3.電源沒有電。
故障現象:電動機在運行中有爆炸聲。
原因:1.線圈暫時接地。2.線圈暫時短路。
故障現象:電動機起動后轉速較低
原因:1.電源電壓過低。2.電動機過負荷。3.定子線圈短路。4.轉子的短路環、籠條斷裂或開焊。5.將三角形接線的電動機接成星形。
故障現象:電動機不能起動,有嗡嗡的響聲
原因:1.軸承損壞。2.定子與轉子之間的空氣間隙不正常,使定子與轉子相碰。3.被帶動機械卡住。4.電源線一相斷線,或保險絲有一相熔斷,或電動機有一相繞組斷線。
故障現象:電動機起動時保險絲熔斷
原因:1.定子線圈一相反接。2.軸承損壞。3.起動時誤操作。4.定子線圈短路或接地。5.傳動皮帶太緊。6.被帶動機械卡住。
更多防爆電機產品知識請關注:www.ys-chn.com電話:0394-8687286 手機:15518435289 劉經理
相關閱讀:
粉塵防爆電機檢測的四個步驟
粉塵防爆電機20區21區22區區別
